Nhôm Định Hình 30x30B – Thanh Nhôm Công Nghiệp Nhẹ, Bền, Đa Dụng
![]() |
![]() |
Mô tả
Nhôm Định Hình 30x30B – Thanh Nhôm Công Nghiệp Nhẹ, Bền, Đa Dụng
Giới thiệu sản phẩm
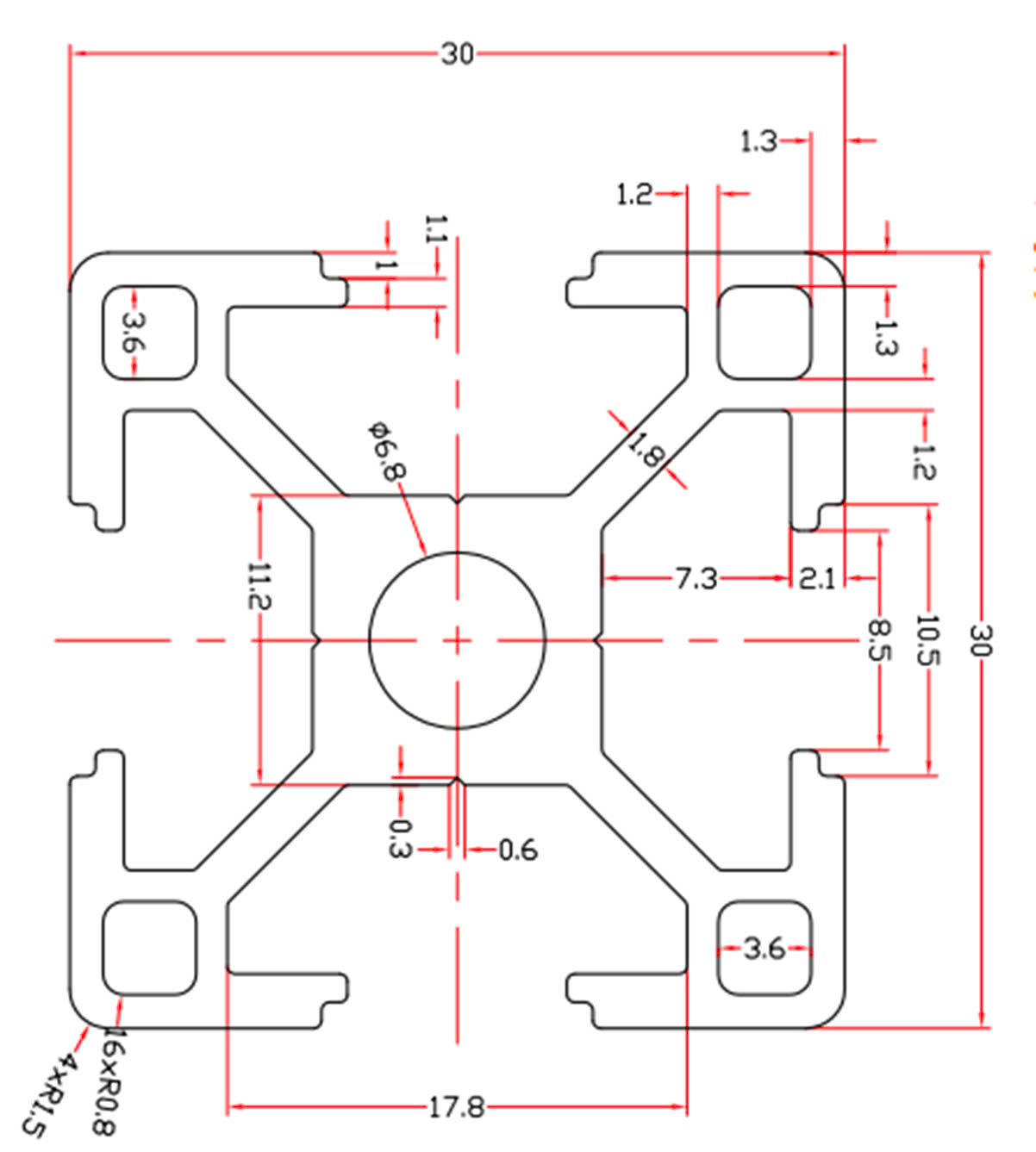
Nhôm định hình 30x30B là dòng thanh nhôm công nghiệp có kích thước tiêu chuẩn 30x30mm, được sử dụng phổ biến trong các hệ thống khung máy nhỏ, bàn thao tác, băng tải mini và thiết bị tự động hóa.
Với độ dày gân 1.8mm và trọng lượng chỉ 0.8kg/m, sản phẩm mang lại sự cân bằng hoàn hảo giữa độ cứng – độ bền – tính linh hoạt, phù hợp cho cả công trình cố định và di động.

Hình ảnh mặt cắt nhôm định hình 30x30B (thực tế)

Hình ảnh thể hiện rõ cấu trúc rãnh T, gân chịu lực và kích thước tiêu chuẩn của nhôm định hình 30x30B.
Thông số kỹ thuật cơ bản

-
Kích thước tiết diện: 30 x 30 mm
-
Độ dày gân: 1.8 mm
-
Trọng lượng: ~0.8 kg/m
-
Kiểu rãnh: Rãnh T tiêu chuẩn (8 mm)
-
Vật liệu: Nhôm hợp kim công nghiệp
-
Xử lý bề mặt: Anodized chống oxy hóa
Ưu điểm nổi bật của nhôm định hình 30x30B 
-
✔ Nhẹ – dễ thi công – dễ vận chuyển
-
✔ Kết cấu cứng vững, chịu tải ổn định
-
✔ Lắp ráp nhanh, không cần hàn
-
✔ Dễ mở rộng, thay đổi kết cấu khi cần
-
✔ Thích hợp cho nhiều ứng dụng công nghiệp nhẹ
Ứng dụng thực tế 

Nhôm định hình 30x30B được sử dụng rộng rãi trong:
-
Khung máy mini, máy tự động nhỏ
-
Bàn thao tác, bàn kỹ thuật
-
Khung che máy, khung bảo vệ
-
Băng tải nhẹ, giá đỡ thiết bị
-
Hệ thống khung cho thiết bị điện – điện tử
Vì sao nên chọn nhôm định hình 30x30B?

-
Thiết kế tối ưu giữa độ bền – trọng lượng – chi phí
-
Phù hợp cho dự án cần tiết kiệm không gian và chi phí
-
Độ chính xác cao, dễ lắp ghép và bảo trì
-
Phù hợp cho xưởng cơ khí, phòng R&D, nhà máy sản xuất
Thông tin liên hệ & báo giá
📞 Hotline: 0879 176 529
📧 Email: tiptopindustrials@gmail.com
🌐 Website: https://tiptop.com.vn
|
|





















Đánh giá
Chưa có đánh giá nào.