Nhôm Định Hình 40x40B
Với kết cấu cân đối, nhôm 40x40B đáp ứng tốt các yêu cầu ổn định – dễ lắp ghép – chi phí hợp lý cho nhà xưởng sản xuất.

Mô tả
Nhôm Định Hình 40x40B
Nhôm định hình 40x40B là dòng thanh nhôm công nghiệp thuộc 40 series, được thiết kế để sử dụng cho các kết cấu cần độ ổn định tốt, khả năng chịu tải trung bình và tính linh hoạt cao. Sản phẩm phù hợp cho khung máy, bàn thao tác, băng tải, khung che an toàn và hệ thống tự động hóa trong nhà xưởng.
Thanh nhôm 40x40B sử dụng rãnh tiêu chuẩn, cho phép lắp ráp nhanh với các phụ kiện nhôm định hình như ke góc, bulong T, ê-cu rãnh, chân tăng chỉnh, giúp thi công gọn gàng, không cần hàn và dễ mở rộng kết cấu khi thay đổi thiết kế.
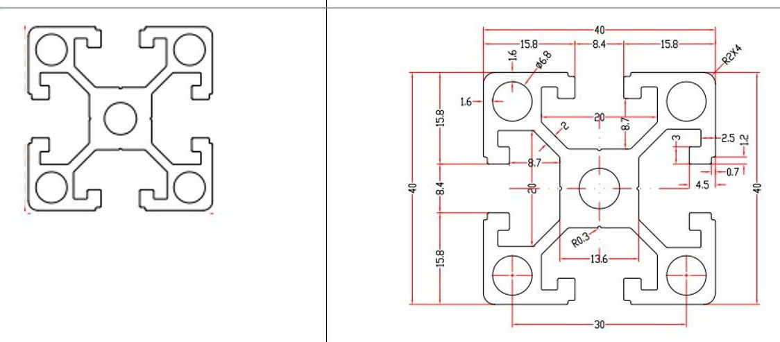
Hình ảnh sản phẩm :
![]() |
![]() |
Đặc điểm kỹ thuật & ưu điểm :
-
Kết cấu cân đối, chịu lực ổn định
-
Độ cứng phù hợp cho kết cấu trung bình
-
Giảm rung lắc khi lắp khung máy
-
Lắp ráp nhanh, tháo lắp dễ dàng
-
Tương thích đầy đủ phụ kiện nhôm 40 series
-
Thẩm mỹ cao, phù hợp môi trường sản xuất hiện đại
![]() |
![]() |
Ứng dụng thực tế :
Nhôm định hình 40x40B được sử dụng phổ biến trong:
-
Khung máy tự động hóa
-
Bàn thao tác kỹ thuật, bàn lắp ráp
-
Khung băng tải và băng chuyền nhẹ
-
Khung che an toàn máy móc
-
Giá đỡ, khung phụ trợ trong dây chuyền sản xuất
Khi nào nên chọn nhôm định hình 40x40B?
-
Khi cần kết cấu ổn định hơn 30 series
-
Khi tải trọng trung bình, không yêu cầu heavy-duty
-
Khi muốn tối ưu chi phí nhưng vẫn đảm bảo độ bền
-
Khi cần hệ khung dễ mở rộng và bảo trì
👉 40x40B là lựa chọn cân bằng giữa độ bền – kích thước – chi phí trong nhóm nhôm 40 series.
Gợi ý phụ kiện đi kèm :
-
Bulong T + ê-cu rãnh 8
-
Chân tăng chỉnh khung máy
-
Nắp bịt đầu thanh nhôm
Sản phẩm tham khảo từ : MISUMI
Thông tin liên hệ & báo giá tại Biên Hòa , Đồng Nai
📞 Hotline: 0879 176 529
google32e1ef76eb56cca7
📧 Email: tiptopindustrials@gmail.com
🌐 Website: https://tiptop.com.vn



















Đánh giá
Chưa có đánh giá nào.